PCR檢測實驗室建設
PCR實驗室建設基本屬于特種實驗室建設中的一種,例如現在我國新冠病毒疫情頻發,就需要各地市醫療機構進一步加強PCR實驗室建設,擴展病原微生物的檢驗項目,提高當地衛生應急檢測能力,為人民群眾的身體健康保駕護航,為政績為民生做出更好的貢獻。是一項在時間內體外大量擴增特定的DNA片段的分子生物學技術。PCR實驗室或稱PCR擴增實驗室,就是進行聚合酶鏈反應的實驗場所。
PCR實驗室的設計
PCR實驗室的空間設計有其固定的模式,PCR實驗室面積及實驗用房的要求基本一致,與醫院本身或檢測機構的規模、日門診量等關系不大。
PCR是由四間相鄰的實驗室組成,包括試劑準備區(產品準備區)標本制備區、擴增區和產物分析區,通常每間面積在10m2左右。在使用實時熒光PCR儀、HIV病毒載量測定儀的PCR實驗時,通常可僅設立三間實驗室。
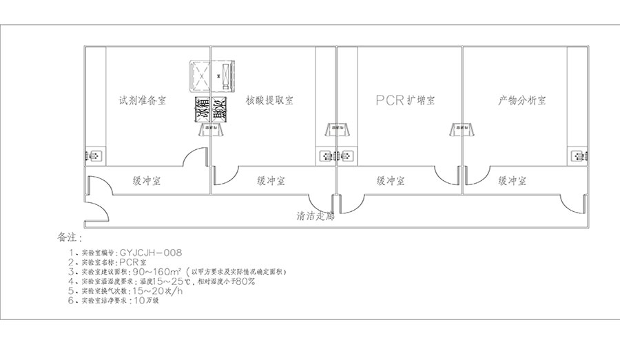
PCR實驗室的平面設計有嚴格的要求,為避免污染,流線必須不可逆,且只能是按試劑備區→標本制備區→擴增區→產物分析區的順序單向序列。PCR實驗室之間必須有單獨的內部走廊,不能使用公共走廊,各實驗室間需要有傳遞窗進行標本無菌傳遞,進入四間實驗室之前都必須要過緩沖空間。各區必須相互獨立,儀器設備和各種物品應嚴格分開,不能混用。每間實驗室內須安裝紫外線燈,供實驗前后進行空氣消毒。
為保證實驗的準確性,試劑準備區及標本制備區的風壓宜呈微正壓,以防外界含核酸氣溶膠的空氣進入,造成污染,通過控制進風風量大于排風風量達到正壓效果。擴增室及產物分析室應呈微負壓,以防含核酸的氣溶膠擴散污染試劑與樣品,通過控制排風風量大于進風風量達到負壓效果。理想情況下緩沖內,可設置正壓,使室內空氣不流向室外,室外空氣不流向室內。
PCR實驗室典型平面圖

PCR實驗室的設計與建設技術要求
| 分區 | 設計要求 | 壓力 | 溫度 | 濕度 | 照度 |
| PCR走廊 | 實驗室分割合理,寬敞明亮,各區人流方向一目了然 | 微負壓 | 20-26°C | 40--60% | 主實驗室300LX,其它房間200-300LX |
| 試劑準備區 | 各區有獨立的空氣對外排放裝置,中央空調出風口封閉 | 正壓 | 20-26°C | 40-60% | 主實驗室300LX,其它房間200-300LX |
| 樣品制備區 | 所有分割連接處作到密封,間隙不能超過0.4cm | 正壓 | 20-26°C | 40-60% | 主實驗室300LX,其它房間200-300LX |
| 擴增區 | 人員流動要求在地面標有路標箭頭 | -10pa | 20-26°C | 40-60% | 主實驗室300LX,其它房間200-300LX |
| 擴增產物分析室 | 傳遞窗兩面要求有門 | -20pa | 20-26°C | 40-60% | 主實驗室300LX,其它房間200-300LX |
《臨床基因擴增檢驗實驗室基本設置標準》中規定了PCR實驗室每個區所需的儀器設備一覽表
| 房間名稱 | 儀器設備名稱 |
| 試劑準備區 | 高速臺式離心機、超凈臺、天平、混勻器、冰箱、微量加樣器X2 |
| 標本制備區 | 高速臺式離心機、超凈臺、天平、混勻器、冰箱、水浴箱或加熱模塊X2、生物安全柜、移動紫外燈、微量加樣器X2 |
| 擴增區 | 基因擴增儀、移動紫外燈、微量加樣器 |
| 產物分析區 | 移動紫外燈、酶標儀、洗扳機、恒溫箱、微量加樣器X2 |
PCR實驗室的裝修
⊙主體結構:主題為彩銅板、鋁合會型材。內所有陰角、陽角均采用銅合金50內圓角鋁,從而解決容易污染,積塵、不易清掃等問題。結構牢固,線條簡明,美觀大方,密封性好。
⊙標準的三區分隔和氣壓調節:將PCR過程分成試劑準備、標本制備和PCR擴增檢測三個獨立的實驗區。整個區域有一個整體緩沖走廊。每個獨立實驗區設置有緩沖區,同時各區通過氣壓調節,使整個PCR實驗過程中試劑和標本免受氣溶膠的污染并降低擴增產物對人員和環境的污染。可打開緩沖區1,緩沖區2和PCR擴增區的排風扇往外排氣,在實驗區的外墻上和各扇門上都安裝有風量可調的回風口,空氣通過回風口向室內換氣。
⊙消毒:在三個實驗區和三個緩沖區頂部以及傳送窗內部安裝有紫外燈,供消毒用。在試列準備區和標本制備區還設置移動紫外線燈,對實驗桌進行局部消毒
⊙機械連鎖不銹鋼傳遞窗:試劑和標本通過機械連鎖不銹鋼(不建議使用電子連鎖方式)傳遞窗傳遞,保證試劑和標本在傳遞過程中不受污染(人物分流)。
⊙地面:地面建議使用PVC卷材地面或自流坪地面,整體性好。便于進行清掃,耐腐蝕。沒有條件的也可采用水磨石地面,或大塊的瓷磚(至少800mm*800mm)接縫需要小于2mm.
⊙照明:燈具要選用凈化燈具,能達到便于清洗、不積塵的特點
PCR實驗室建設延申閱讀
基因擴增檢驗實驗室的規范化設置
臨床基因擴增檢驗實驗室的規范化設置詳見《臨床基因擴增檢驗實驗室管理暫行辦法》(衛醫發[2002]10號文)附件《臨床基因擴增檢驗實驗室基本設置標準》。為避免污染,必須嚴格遵循《臨床基因擴增檢驗實驗室設置標準》設置臨床基因擴增檢驗實驗室。 臨床基因擴增檢驗實驗室四個隔開的工作區域中每一區域都須有專用的儀器設備。各區域都必須有明確的標記,以避免設備物品如加樣器或試劑等從其各自的區域內移出從而造成不同的工作區域間設備物品發生混淆。進入各個工作區域必須嚴格遵循單一方向順序,即只能從試劑貯存和準備區、標本制備區、擴增反應混合物配制和擴增區(簡稱擴增區)至產物分析區,避免發生交叉污染。在不同的工作區域應使用不同顏色或有明顯區別標志的工作服,以便于鑒別。此外,當工作者離開工作區時,不得將各區特定的工作服帶出。 清潔方法不當也是污染發生的一個主要原因,因此實驗室的清潔應按試劑貯存和準備區至擴增產物分析區的方向進行。不同的實驗區域應有其各自的清潔用具以防止交叉污染。

(一)試劑貯存和準備區
下述操作在該區進行:貯存試劑的制備、試劑的分裝和主反應混合液的制備。
貯存試劑和用于標本制備的材料應直接運送至試劑貯存和準備區,不能經過產物分析區。在打開含有反應混合液的離心管或試管前,應將其快速離心數秒。試劑原材料必須貯存在本區內,并在本區內制備成所需的貯存試劑。當貯存試劑溶液經檢查可用后,應將其分裝貯存備用,避免由于經常打開反應管吸液而造成污染。
含反應混合液的離心管或試管在冰凍前都應快速離心數秒。大多數用于擴增的試劑都應冰凍貯存。為避免因單次反應取液而頻繁的凍融主貯存試劑,應分裝冰凍貯存試劑溶液。貯存試劑的分裝體積根據通常在實驗室內一次測定所需的擴增反應數來決定。
主反應混合液的組成成份尤其是聚合酶的適用性和穩定性通過預試驗來檢查,評價結果必須有書面報告。對于"熱啟動"技術(在第一個高溫變性步驟后加入酶),聚合酶也可不包含在主反應混合液中。
在整個本區的實驗操作過程中,操作者必須戴手套,并經常更換。此外,操作中使用一次性帽子也是一個有效地防止污染的措施。 嚴禁用嘴吸取液體,加樣器和吸頭等必須經高壓處理。
工作結束后必須立即對工作區進行清潔。本工作區的實驗臺表面應可耐受諸如次氯酸鈉的化學物質的消毒清潔作用。實驗臺表面的紫外照射應方便有效。由于紫外照射的距離和能量對去污染的效果非常關鍵,因此可使用可移動紫外燈(254nm波長),在工作完成后調至實驗臺上60~90cm內照射。由于擴增產物僅幾百bp,對紫外線損傷不敏感,因此紫外照射擴增片段必須延長照射時間,*好是照射過夜。實驗室及其設備的使用必須有日常記錄。
(二)標本制備區
下述操作在該區進行:臨床標本的保存,核酸(RNA、DNA)提取、貯存及其加入至擴增反應管和測定RNA時cDNA的合成。 要正確使用加樣器。由于在加樣操作中可能會發生氣溶膠所致的污染,所以應避免在本區內不必要的走動。可通過在本區內設立正壓條件避免從鄰近區進入本區的氣溶膠污染。為避免樣本間的交叉污染,加入待測核酸后,必須蓋好含反應混合液的反應管。對具有潛在傳染危險性的材料,必須有明確的樣本處理和滅活程序。 用過的加樣器吸頭必須放入專門的消毒(例如含次氯酸鈉溶液)容器內。實驗室桌椅表面每次工作后都要清潔,實驗材料(原始血標本、血清標本、提取中的標本與試劑的混合液等)如出現外濺,則必須分別處理并作出記錄。 對實驗臺適當的紫外照射(254nm波長,與工作臺面近距離)適合于滅活去污染。可移動紫外線管燈可用來確保工作后對實驗臺面的充分照射。 樣本處理對核酸擴增有很大影響,必須使用有效的核酸提取方法,可在開展臨床標本檢測前對提取方法進行評價。 用于RNA擴增檢測樣本制備好以后,應立即進行cDNA合成,因為cDNA鏈較RNA穩定,保存相對容易。為保證逆轉錄反應的需要,應在標本制備區設置一個以上的溫育裝置。 cDNA合成的理想溫度依所使用的酶而定,傾向于使用一步法:即使用在擴增反應緩沖液條件下具有逆轉錄活性的熱穩定的DNA聚合酶進行逆轉錄,其較cDNA合成后再開蓋以調節緩沖液或加入聚合酶進行擴增發生污染的可能性降低。 待測RNA的cDNA拷貝須保存在標本制備區,不得在本區對樣本進行PCR擴增。
(三)擴增區
下述工作在本區內進行:DNA或cDNA擴增。此外,已制備的DNA模板和合成的cDNA(來自樣本制備區)的加入和主反應混合液(來自試劑貯存和制備區)制備成反應混合液等也可在本區內進行。在巢式PCR測定中,通常在第一輪擴增后必須打開反應管,因此巢式擴增有較高的污染危險性,第二次加樣必須在本區內進行。 不能從本區再進入任何"上游"區域,可降低本區的氣壓以避免氣溶膠從本區漏出。 為避免氣溶膠所致的污染,應盡量減少在本區內的走動。如有加樣則應在超凈臺內進行。打開預處理過的反應混合液時必須防止液體濺出,尤其是在巢式擴增步驟之間。一個簡單的方法是在打開反應管前快速離心數秒。可使用體積較小的離心機,因其所占實驗臺面小,易于用一只手操作,適合于大多數超凈臺。防潮屏障如石蠟油或輕礦物油也具有防污染作用,但必須注意的是,礦物油本身也可能成為一種持續性的污染源。用過的加樣器必須注意清潔消毒。 完成操作及每天工作后都必須對實驗室臺面進行清潔和消毒,紫外照射方法與前面區域相同。如有溶液濺出,必須處理并作出記錄。
(四)擴增產物分析區
下述操作在本區內進行:擴增片段的測定。 核酸擴增后產物的分析方法多種多樣,如膜上或微孔板上探針雜交方法(同位素標記或非同位素標記)、瓊脂糖凝膠電泳、聚丙烯酰胺凝膠電泳、Southern轉移、核酸測序方法等。目前國內的商品試劑盒絕大部分均采用非同位素標記的微孔板上探針雜交方法,即PCR-ELISA方法,也有膜上探針雜交方法。 本區是*主要的擴增產物污染來源,因此必須注意避免通過本區的物品及工作服將擴增產物帶出。在使用PCR-ELISA方法檢測擴增產物時,必須使用洗板機洗板,廢液必須收集至1mol/L HC1中,并且不能在實驗室內傾倒,而應至遠離PCR實驗室的地方棄掉。用過的吸頭也必須放至1mol/L HCl中浸泡后再放到垃圾袋中按程序處理,如焚燒。
由于本區有可能會用到某些可致基因突變和有毒物質如溴化乙錠、丙烯酰胺、甲醛或同位素等,故應注意實驗人員的安全防護。 本區的清潔消毒和紫外照射方法同前面區域。本區如采用負壓條件或減壓情況下(如安裝排風扇)可減少擴增產物從本區擴散至前面區域的可能性。
了解了PCR實驗室的工藝標準后,我們就能大致確認PCR實驗室的布局、所需的設備、整體的設計裝修、PCR實驗室的通風系統、PCR實驗室建設注意事項等。
航天科恩18年的實驗室建設施工經驗,且始終堅持質量為天。在實驗室建設領域有著非常豐富的行業積累,服務客戶近萬家。自有實驗室家具生產基地,無論是實驗室標準建設還是實驗室定制建設,能大大縮短實驗室施工裝修周期。了解更多不同類型的實驗室建設方案,免費咨詢熱線010-68834711-0
上一篇:沒有了!
下一篇:生物安全實驗室建設

